- Outlet
-
Motore & Trasmissione
-
Motore
Motore
- Blocchetti Punterie
- Hot Set Up Kits
- Guarnizioni - Oring + Kit
- Parti Cilindri
- Kit Hardware Motore Cambio e Primaria
- Guarnizioni + Kit
- Pompa Olio
- Testate e Cilindri
- Kit Prestazioni Motore
- Coperture Camma e Bronzine
- Bilancieri e Parti
- Valvole Di Compressione
- Parti Varie Del Motore
- Supporti Motore
- Paraoli Guida Valvole
-
Trasmissione
Primaria & Frizione
- Componenti Frizione
- Componenti Frizione
- Gruppi Frizione
- Kit Di Ricostruzione Della Trasmissione
- Pedali Di Avviamento + Parti
- Kit Disinnesto Frizione
- Componenti Interni Trasmissione
- Componente Del Cambio Della Trasmissione
- Dischi Frizione + Molle
- Pignoni
- Alloggi & Coperture Primaria
- Frizione 1952-1956 K & 1957-1970 Sportster
- Coperchi Frizione e Ispezione
- Frizione Big Twin 4 Marce e primo 5 Marce
- Catene Primaria & Tendicatena
Cambio- Parti Cambi a 5 Marce Sportster
- Parti Cambi a 4 Marce Sportster
- Parti Cambi a 4 Marce Big Twin
- Conversione cambio Big Twin da 5 a 6 marce
- Kit Accensione a Pedale e Parti
- Parti Cambi a 6 Marce dal 2006 ad oggi
- Parti per Cambio Sportster
- Parti Cambi 45CI
- Cambi a 4 Marce
- Cambi a 5 Marce
- Cambi con Uscita a Destra
- Coperture Cambio
- Cambi a 6 Marce
- Conversioni per Uscita a Destra Big Twin
- Kit Retromarcia
-
Olio, Filtri e Scarichi
Scarichi
- Scarici Omologati CE per Dyna
- Scarichi S&S
- Headpipe Midpipes Tips Per St
- Collettori
- Two Brothers Racing
- Sistemi Per Atv
- Scarichi Supertrapp Paul Yaffe
- Scarichi V-Performance
- Sistemi Per Fuoristrada
- Scarichi Kerker
- Scarici Omologati CE per Royal Enfield
- Sistemi Per Fuoristrada
- Scarichi Freedom Performance per Softail
- Scarici Omologati CE per Victory
- Testate Midpipes Punte Per Ha
-
Motore
-
Telaio, Sospensioni, Ruote & Freni
-
Telaio e Sospensioni
Sospensione Anteriore
- Molle Forcella
- Parti Varie + Accessorio
- Ammortizzatori Forcella + Parti
- Prodotti Per Forchette Slider Per Barattoli
- Ammortizzatori-Punti
- Stivali Forcella
- Bretelle Forcella
- Tappo Di Scarico Forcella + Parti
- Componenti Di Tipo Cartuccia A Forcella
- Tenute Oring Guarnizioni Forcella
- Gambe Inferiori Della Forcella
- Gruppi Forcella Completi
- Piastre Forcella + Kit
- Prodotti Per Forchette-Slider Per Barattoli
- Tenute-Oring-Guarnizioni Forcella
Forcelle- Steli Forcella
- Ammortizzatori di Sterzo
- Forcelle
- Allungamento & Aabbassamento della Forcella
- Molle Forcella
- Alloggiamenti Faro
- Forcella Springer Accessori
- Paraoli ed Accessori Forcella
- Parti Forcella
- Piastre ed Accessori Forcella
- Forcelle Springer
- Piastre e Kit Piastre Larghe
- Alloggi Fanale ed Accessori
- Piastra Antisvirgolo
- Foderi Forcella
Telai & Sospensioni Posteriori- Accessori Telaio
- Bracci Oscillanti
- Protezioni Catena Cinghia Posteriore + Parti
- Stabilizzatori Telaio
- Carrozzeria Tipo Di Ricambio
- Pulegge Posteriori + Parti
- Ammortizzatori
- Catena Di Trasmissione Maglie + Parti
- Pulegge Trasmissione + P
- Kit di Abbassamento
- Catena Di Trasmissione Tipi O'Ring
- Bulloni & Perni Ammortizzatori
- Coperchi Tappi Forcellone
- Coperture Ammortizzatori
- Coperture Telaio Pannelli Tappi Ins
-
Ruote e Freni
Freni
- Fluido per Freni
- Pinze Freno Performance Machine
- Kit Conversione Freni
- Pinze Freno di Serie & Custom
- Kit Pinze-Pinze Freno
- Staffe Pinze Freno
- Kit Ricostruzione Pinze Freno + P
- Coperchi Inserti Pinze Freno
- Dischi Freno Strada
- Ganasce Freno
- Parti Pinze Freno
- Guarnizioni Dei Freni
- Pinze Freno
- Hardware Linea Freno
- Parti Freno a Tamburo
Cerchi & Gomme- Camere d'Aria
- Prodotti Per Il Gonfiaggio Pneumatici
- Pneumatici Avon
- Raggi Ruota + Nippli
- Ruote Ride Wright Wheels
- Ruota M/C A Razze Posteriori
- Pneumatici Metzeler
- Solo Cerchione Moto
- Pneumatici Pirelli
- Steli Nuclei Delle Valvole
- Ruote & Pneumatici ed Accessori
- Pneumatici Shinko
- Tappi Valvola
- Parti Mozzo Ruota
- Pneumatici European Classic
-
Telaio e Sospensioni
-
Comandi & Controlli
-
Comandi e Controlli
Comandi a Piede
- Frizione a Pedale
- Comandi Centrali
- Pedali Freno e Piastre di Freno
- Elettrico & Parti per Cambio ad Aria
- Comandi Arretrati
- Barre Autostradali + Pieghe
- Collegamento Del Cambio + Componente Pa
- Poggiapiedi per Indian
- Pedalini Cambio e Pedane
- Parti per Cambio
- Poggiapiedi
- Pompa Freno Posteriore
- Supporti Pedane
- Comandi Avanzati
Manubrio, Comandi Manubrio & Specchietti- Cavi Frizione
- Solo Leva Freno
- Cavi Idle
- Tubo Frizione Idraulica
- Cavi Strozzatore
- Manubri Fat per morsetti manubrio da 1 1/4"
- Cavi Strozzatore
- Cavi Tachimetro
- Coperture Cavi
- Gruppi Acceleratore Manubrio
- Gruppi Acceleratore Manubrio
- Interruttori Scatola Interruttore + Part
- Kit Cavi/Tubi Frizione E Freno
- Manopole Manubrio Riscaldate
- Manopole D'Aria
-
Strumentazione
Elettrico & Illuminazione
- Controlli Dell'Illuminazione
- Luci della Carenatura
- Lampadine
- Fanali Posteriori Custom
- Targa
- Luce Accessorio
- Indicatori Di Direzione
- Fari
- Interruttori Accensione
- Indicatori di Direzione stile FX
- Luci Interne per Borse Rigide
- Indicatori di Direzione & Luci Multifunzione
- Cablaggi & Centraline
- Montaggio Fanali Anteriori
- Fairing Lights
-
Comandi e Controlli
-
Carrozzeria, Accessori & Attrezzature
-
Carrozzeria
Serbatoi Benzina & Olio
- Linea Olio/Benzina e Raccordi
- Parti Di Vestimento Del Radiatore
- Pompa Benzina
- Valvole/Rubinetti Serbatoio Gas
- Filtri Benzina
- Drenaggio
- Emblemi Serbatoio
- Rivestimento Interno Serbatoio
- Parti Di Rivestimento Del Radiatore
- Filtri Olio
- Linee Carburante
- Linee Olio
- Tappi Benzina e Coperture
- Raffreddatori Olio
- Serbatoi Benzina
-
Accessori
Selle
- Sedili Per Harley Dresser/Touri
- Sedili Per Harley Dynalide
- Sedili Per Harley Softtail
- Sedili Per Harley Sportster
- Sedili Per Telaio Rigido Harley
- Sedili Per Tutte Le Altre Bik Da Strada
- Sedili-Per Harley Fx-Fl
- Cuscini Sella Passeggino Universali
- Sedili Per Harley Fx Fl
- Sedili Per Harley Fx Fl
- Accessori Sella
- Sissy Bars
- Selle Le Pera
- Selle
- Cuscinetto
-
Attrezzature
Attrezzi & Sostanze Chimiche
- Pulizia e Lucidatura
- Tachimetro
- Attrezzi per Scarichi
- Utensili Per Carburazione
- Attrezzi per Parte Superiore Motore
- Utensili Vari
- Attrezzi Standard e Universali
- Utensili Per Sospensioni
- Attrezzi per Ruote e Gomme
- Utensili Per Catena
- Blocca Ruota
- Utensili A Ruote
- Grasso e Lubrificanti
- Contagiri
- Attrezzi per Pompa Olio e Filtri Olio
-
Carrozzeria
-
Marche Specifiche & Custom
- Marche Specifiche
-
I Nostri Marchi
- Arlen Ness
- Barnett Clutches & Cables
- Bitubo
- Custom Cycle Engineering
- Custom Dynamics
- Daytona
- Daytona Twin Tec
- Design Engineering Inc
- Feuling Oil Pump Corp.
- Hella
- Jagg Oil Coolers
- Kellermann
- Ken's Factory
- Le Pera
- LIQUI MOLY
- Loctite
- Memphis Shades Hd
- Memphis Shades Metric
- Mustang
- Mustang Seats
- Odd Concept
- Progressive Suspension
- S&S Cycle
- Saddlemen
- Twin Power
- V-Twin
- Vance&Hines
- Vedi gli altri marchi
Italiano
EUR €
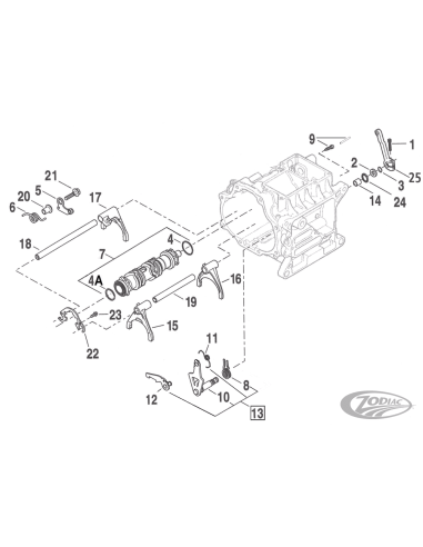
Meccanismo di cambio bt06-up
V-TwinTutte le parti dal meccanismo del cambio nella trasmissione a 6 marce introdotte sui modelli Dyna del 2006 e utilizzate dal 2007 in poi su tutti i modelli Dyna, Softail, Touring e Trike. Se non diversamente indicato, tutte le parti vengono vendute singolarmente. Quando è necessario più di un elemento, questo viene indicato tra parentesi, ad esempio (2).
758375
3 Articoli